Firma SMAY, z ponad 35-letnim doświadczeniem, jest liderem w dostarczaniu innowacyjnych i kompleksowych rozwiązań z zakresu wentylacji oraz ochrony przeciwpożarowej. Naszą misją jest zapewnienie świeżego powietrza, komfortu i ochrony zdrowia ludzi, a także ich mienia we wszystkich rodzajach budynków. Nasze urządzenia i systemy są wybierane i instalowane w prestiżowych obiektach biurowych, mieszkalnych, centrach handlowych, hotelach, szpitalach, laboratoriach oraz obiektach przemysłowych w Polsce i za granicą.

Nowoczesne rozwiązania dla bezpieczeństwa budynków
Wraz ze wzrostem wysokości i złożoności budynków rosną wymagania wobec systemów bezpieczeństwa pożarowego. Firma SMAY odpowiada na te wyzwania, oferując nowoczesne i sprawdzone rozwiązania gwarantujące najwyższy poziom bezpieczeństwa.
Przeciwpożarowy wyłącznik prądu (PWP) SMAY PWP
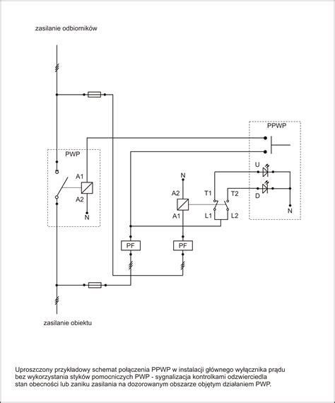
Przeciwpożarowy wyłącznik prądu jest jednym z kluczowych elementów bezpieczeństwa budynków. Bezpieczeństwo pożarowe zależy nie tylko od samej technologii, ale przede wszystkim od niezawodnych urządzeń reagujących w sytuacjach zagrożenia. PWP firmy SMAY to urządzenie wykonawczo-sygnalizujące, którego zadaniem jest natychmiastowe odcięcie zasilania w instalacjach elektrycznych budynku w przypadku zagrożenia pożarowego lub akcji ratowniczo-gaśniczej.
Urządzenie PWP jest wymagane w każdej strefie pożarowej budynku, której kubatura przekracza 1000 m³ lub w budynku zawierającym strefy zagrożone wybuchem bez dolnej granicy kubatury. Należy pamiętać, że woda używana podczas akcji gaśniczej w połączeniu z instalacjami elektrycznymi stanowi poważne zagrożenie.
Urządzenie wykonawczo-sygnalizujące SMAY PWP służy do odłączenia dopływu energii elektrycznej w budynku lub jego części w przypadku zagrożenia pożarowego. Prąd nie jest odcinany tylko w tych urządzeniach, które muszą działać podczas pożaru, na przykład w systemach wentylacji pożarowej.
Zestaw SMAY-PWP to rozwiązanie łączące wysokie parametry techniczne i niezawodność, potwierdzone Krajowym Certyfikatem Stałości Właściwości Użytkowych wydanym przez CNBOP. Urządzenie jest dostępne w szerokim zakresie prądowym - od 63A do 4000A, a jego znamionowy prąd zwarciowy sięga 85kA. SMAY-PWP może być sterowany ręcznie lub zdalnie, przy pomocy przycisku przeciwpożarowego wyłącznika prądu. Co istotne, urządzenie pozwala na uruchamianie go przez więcej niż jeden sygnał, co zwiększa elastyczność i bezpieczeństwo eksploatacji.
Na szczególną uwagę zasługuje również urządzenie sygnalizujące wyposażone w dwukolorową diodę LED, która jasno informuje o stanie „Dozoru” lub „Uruchomienia”. Wyłącznik lub rozłącznik wbudowany w urządzeniu wykonawczym wyposażono w elektromechaniczny wyzwalacz wzrostowy (SHT) bądź podnapięciowy (UVT) oraz styki pomocnicze. Zestaw SMAY-PWP jest zgodny z wymaganiami prawa i stanowi realne wsparcie dla służb ratowniczych oraz gwarancję ochrony dla użytkowników budynku.

Systemy oddymiania i wentylacji pożarowej
Firma SMAY oferuje kompleksowe rozwiązania w zakresie wentylacji bytowej i pożarowej. Klapy przeciwpożarowe SMAY przeznaczone są do montażu w instalacjach wentylacji ogólnej jako przegrody odcinające lub w instalacji oddymiającej jako elementy odpowiedzialne za kontrolę rozprzestrzeniania się dymu.
Kratki wentylacyjne SMAY montuje się w średnio- i niskociśnieniowych instalacjach wentylacyjnych jako elementy zakańczające kanały wentylacyjne. Firma oferuje kratki o przeznaczeniu specjalnym: transferowe, wentylacyjne podłogowe lub kratki do zastosowań higienicznych.
Przepustnice do wentylacji, inaczej przepustnice powietrza, stanowią wraz z kanałami wentylacyjnymi element instalacji wentylacyjnej odpowiadający za dystrybucję powietrza. Urządzenia te dzieli się przede wszystkim na przepustnice regulujące przepływ powietrza i odcinające.
Systemy oddymiania budynków wysokich i garaży
Wraz ze wzrostem wysokości i złożoności budynków rosną wymagania wobec systemów bezpieczeństwa pożarowego. Systemy różnicowania ciśnienia w budynkach wysokich, oferowane przez SMAY, zapewniają skuteczną ochronę.
Seria SMAY DUCT SYSTEM (SDS) odpowiada za funkcję odprowadzania dymu i ciepła. Stanowi samodzielną instalację lub może być łączona z instalacją wielostrefową. SDS to system poziomych kanałów i kształtek prostokątnych wykonanych z blachy stalowej ocynkowanej, uszczelnień i zawieszeń, odznaczający się najwyższą jakością współpracy z dodatkowym wyposażeniem.
Systemy oddymiania garaży podziemnych, takie jak SAFETY CARPARK, przeznaczone są do wentylacji dużych przestrzeni garażowych, w tym tuneli. System ten zapewnia skuteczne usuwanie gorących gazów i dymu z obszaru objętego pożarem, ułatwiając ewakuację ludzi i umożliwiając akcję gaśniczą.
W obiektach przemysłowych, gdzie występuje duża różnorodność układów zasilania, pewność podtrzymywania napięcia dla urządzeń pożarowych jest szczególnie istotna dla bezpieczeństwa zakładu i ludzi. SMAY dostarcza rozwiązania zapewniające niezawodne działanie systemów przeciwpożarowych.
Jak działają systemy mechanicznej wentylacji oddymiającej
Innowacyjne narzędzia dla projektantów
Firma SMAY udostępnia nowoczesne narzędzia ułatwiające pracę projektantom.
Nakładka SMAY do programu Revit
Nakładka SMAY do programu Revit umożliwia bezpośrednie pobieranie i używanie rodzin RFA naszych produktów, co znacznie przyspiesza proces projektowy.
Program doboru nawiewników
Program w prosty i intuicyjny sposób pozwala użytkownikowi na dobór nawiewników wirowych oraz szczelinowego typu NSAL, optymalnych dla danego projektu. Rozwiązanie to nie wymaga rejestracji ani logowania i jest dostępne w wersji podstawowej oraz zaawansowanej. Użytkownik może zmienić wersję programu nawet w trakcie doboru, nie ryzykując utraty wprowadzonych już informacji. Po wprowadzeniu danych program dokonuje odpowiednich obliczeń i użytkownik może pobrać kartę doborową.
Program umożliwia szybki i prosty dobór urządzeń bez podawania szczegółowych danych. Można z niej korzystać zarówno, kiedy nie jest znana geometria pomieszczenia, ale także, gdy potrzebny jest uproszczony dobór przy posiadaniu podstawowych informacji o wymiarach pomieszczenia. Dzięki wprowadzeniu dodatkowych informacji dobór uwzględnia współpracę wielu nawiewników jednocześnie.

Program doboru systemów oddymiania i tłumików
Program w prosty i szybki sposób pozwala na dobór kompletnego certyfikowanego systemu oddymiania klatki schodowej. Pozwala również na dobór tłumików oraz porównanie parametrów nawet bez konieczności podania pełnych danych. Skonfiguruj swój zestaw SMAY-PWP w kilka minut - bez zbędnych komplikacji.
Referencyjne projekty SMAY
Nasze rozwiązania znajdują zastosowanie w wielu prestiżowych obiektach w Polsce i za granicą:
- SKY TOWER: Najwyższy budynek mieszkalno-biurowy w Polsce, w którym zastosowano system SAFETY WAY®.
- Centrum Marszałkowska: Pierwszy w Warszawie budynek zintegrowany ze stacją dwóch linii metra.
- Imperial Business Center: Nowoczesne centrum biznesowe w Krakowie.
- Laboratorium analityczno-chemiczne w Płocku: Jedno z największych laboratoriów w Europie, gdzie sprawnie działająca wentylacja jest kluczowa dla ochrony zdrowia personelu oraz obiektu.
- Podium Park: System SAFETYWAY zabezpiecza trzy klatki schodowe wraz z przedsionkami pożarowymi oraz szacht dźwigu ratowniczego.
- Larix Garden: System kanałowego oddymiania garażu podziemnego wraz z systemem detekcji CO/LPG.

Firma SMAY od blisko 30 lat dostarcza innowacyjne i kompleksowe rozwiązania z zakresu wentylacji i ochrony przeciwpożarowej, stawiając na ciągły rozwój, wdrażanie innowacyjnych produktów, technologii i procesów produkcyjnych. Nieustannie inwestujemy w rozwój pracowników, własnej myśli technologicznej oraz zaplecza produkcyjnego, które obejmuje ponad 10 tys. metrów kwadratowych z nowoczesnym parkiem maszynowym.
tags: #anemostat #przeciwpozarowy #smay