Przeciwpożarowy wyłącznik prądu (PWP) jest kluczowym elementem instalacji elektrycznych w budynkach, którego głównym zadaniem jest zapewnienie bezpieczeństwa podczas pożaru poprzez odcięcie zasilania elektrycznego. Jego funkcja i zasady stosowania są ściśle określone przepisami prawa budowlanego i przeciwpożarowego.
Podstawa prawna i obowiązek stosowania PWP
Funkcja, jaką pełni przeciwpożarowy wyłącznik prądu w obiektach budowlanych, została określona w Rozporządzeniu Ministra Infrastruktury z dnia 12 kwietnia 2002 roku w sprawie warunków technicznych, jakim powinny odpowiadać budynki i ich usytuowanie (tekst jednolity: Dz.U. 2019 poz. 1065, z późniejszymi zmianami Dz. U. z 2022 r. poz. 1225). Zgodnie z wymaganiami, urządzenie to powinno odcinać dopływ energii elektrycznej do wszystkich odbiorników z wyjątkiem obwodów zasilających instalacje i urządzenia, których funkcjonowanie jest niezbędne podczas pożaru.
W §183 ww. rozporządzenia określono miejsce instalowania przeciwpożarowego wyłącznika prądu: „Przeciwpożarowy wyłącznik prądu powinien być umieszczony w pobliżu głównego wejścia do obiektu lub złącza i odpowiednio oznakowany”.
Przeciwpożarowy wyłącznik prądu należy stosować w budynkach lub strefach pożarowych o kubaturze przekraczającej 1000 m³ lub zawierających strefy zagrożone wybuchem. Dotyczy to zarówno obiektów wznoszonych, jak i modernizowanych, jeśli PWP nie został jeszcze dostarczony na budowę, co zostało potwierdzone w „Dzienniku budowy”. Od 1 stycznia 2021 roku obowiązuje wymóg stosowania certyfikowanego przeciwpożarowego wyłącznika prądu.
Zgodnie z Rozporządzeniem Ministra Spraw Wewnętrznych i Administracji z dnia 7 czerwca 2010 r. w sprawie ochrony przeciwpożarowej budynków, innych obiektów budowlanych i terenów (Dz. U. z 2010 r. nr 109, poz. 719 z późn. zm.), przeciwpożarowe wyłączniki prądu są urządzeniami przeciwpożarowymi i w związku z tym powinny zostać wykonane zgodnie z projektem uzgodnionym przez rzeczoznawcę do spraw zabezpieczeń przeciwpożarowych. Warunkiem dopuszczenia ich do użytkowania jest przeprowadzenie odpowiednich prób i badań, potwierdzających prawidłowość ich działania.
Odcinany przez PWP dopływ prądu nie może powodować samoczynnego załączenia drugiego źródła energii elektrycznej (w tym zespołu prądotwórczego), z wyjątkiem źródła zasilającego oświetlenie awaryjne, jeżeli występuje ono w budynku, a także innych urządzeń elektrycznych, które muszą funkcjonować w czasie pożaru.
Budowa przeciwpożarowego wyłącznika prądu
Przeciwpożarowy wyłącznik prądu (PWP) składa się zazwyczaj z trzech głównych elementów:
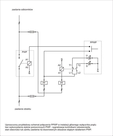
- Urządzenie wykonawcze (UW PWP): Jest to aparat wykonawczy, zazwyczaj rozłącznik lub wyłącznik, stanowiący element mechanicznego odłączenia dopływu energii elektrycznej do budynku. Umieszczany jest w oddzielnej obudowie, instalowany w pomieszczeniu technicznym, złączu kablowym lub przy wejściu do budynku. Nie może być zabudowany we wspólnej rozdzielni (obudowie) wraz z innymi urządzeniami, chyba że jest to sekcja PWP z zasilaczem tego samego producenta oraz centralą sterującą w jednym standardzie elektrycznym.
- Urządzenie uruchamiające (UU PWP): Jest to przycisk sterowania zdalnego PWP, pozwalający na podanie sygnału do urządzenia wykonawczego. Zazwyczaj umieszczany jest w pobliżu głównego wejścia do obiektu lub złącza. Urządzenia uruchamiające połączone są równolegle, co oznacza, że naciśnięcie dowolnego z nich spowoduje wyłączenie urządzenia wykonawczego.
- Urządzenie sygnalizujące (US PWP): Jest to sygnalizator optyczny, zazwyczaj w postaci sygnalizatora LED, wskazujący jednoznacznie o wyłączeniu zasilania na budynku poprzez świecenie ciągłe. Sterowany jest za pośrednictwem automatyki PWP lub bezpośrednio ze styków krańcowych urządzenia wykonawczego.

Zasada działania i warianty wykonania
Podstawową zasadą działania PWP jest odcięcie zasilania po otrzymaniu sygnału z urządzenia uruchamiającego. W zależności od złożoności obiektu i wymagań bezpieczeństwa, stosowane są różne rozwiązania:
Prostsze rozwiązania
W prostszych rozwiązaniach urządzenia uruchamiające są połączone równolegle, a urządzenie sygnalizacyjne informuje o stanie wyłączenia. Jest to rozwiązanie zalecane dla obiektów ze stałą obsługą techniczną i możliwością czasowego wyłączenia zasilania budynku w celu testowania instalacji. Wadą tego rozwiązania jest brak kontroli nad instalacją sterującą, co wymaga wzmożonych prac konserwacyjno-serwisowych.
Zaawansowane rozwiązania z wyzwalaczami
Bardziej zaawansowane systemy wykorzystują wyzwalacze wzrostowe lub zanikowe:
- Wyzwalacz wzrostowy: Powoduje otwarcie styków urządzenia wykonawczego PWP w przypadku podania napięcia zasilającego na cewkę wyzwalacza.
- Wyzwalacz zanikowy: Powoduje otwarcie styków urządzenia wykonawczego w przypadku zaniku lub obniżenia się napięcia poniżej wartości dopuszczalnej przez cewkę wyzwalacza.
Zwiększony poziom bezpieczeństwa można osiągnąć poprzez zastosowanie wyzwalaczy 24V (napięcie bezpieczne). W przypadku wyzwalaczy 230V, zarówno styk urządzenia uruchamiającego, jak i lampki sygnalizacyjne muszą być dostosowane do pracy z takim napięciem.
W rozwiązaniach z wyzwalaczami może pojawić się problem podczas uszkodzenia przewodu (np. zwarcia) pomiędzy urządzeniem uruchamiającym a wykonawczym, co może skutkować brakiem wyłączenia urządzenia wykonawczego. Zasilanie niezbędne do zadziałania wyłącznika pobierane jest za pośrednictwem przerzutnika faz, zapewniającego energię do zadziałania wyzwalacza nawet po zaniku napięcia na jednej lub dwóch fazach.
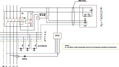
Rozwiązania z modułem kontrolno-sterującym
Rozwiązanie preferowane do rozległych i skomplikowanych obiektów przemysłowych, budynków biurowych i użyteczności publicznej, gdzie czasowe wyłączenie zasilania jest utrudnione. Kluczowym elementem jest zastosowanie modułu kontrolno-sterującego (np. MKIN-PWP), który natychmiast po wykryciu uszkodzenia przewodu pomiędzy urządzeniem uruchamiającym a wykonawczym wysyła sygnał ostrzegawczy do systemu nadrzędnego (np. SSP, BMS).
Moduł MKIN-PWP kontroluje ciągłość przewodu do urządzenia uruchamiającego, steruje wyzwalaczem zanikowym lub wzrostowym, zarządza czasem opóźnienia (np. przy współpracy z UPS) oraz umożliwia zdalne wyłączenie zasilania z poziomu integratora lub centrali sterującej.
Automatyka sterująco-sygnalizująca jest zasilana z zasilacza buforowanego, zapewniającego ciągłość dostawy energii nawet przy zaniku zasilania sieciowego. Akumulator współpracujący z zasilaczem zapewnia co najmniej 30 minut pracy w przypadku awarii zasilania.
Moduł MKIN-PWP umożliwia integrację z innymi systemami za pośrednictwem interfejsu RS485 (protokół BacNET MS/TP) lub Modbus (z opcjonalnym konwerterem protokołów). Moduł wykonawczo-sygnalizacyjny może być wyposażony w sterownik programowalny, dodatkowe moduły wejść/wyjść oraz switch komunikacyjny.
System monitoringu ppoz 24/7 odpadów komunalnych (śmieci), wykrywanie zapłonu paliwa RDF PASr Pasi
Certyfikacja i wymagania prawne
Przeciwpożarowy wyłącznik prądu podlega obowiązkowi certyfikacji zgodnie z przepisami prawa. Obowiązek ten wynika z:
- Rozporządzenia Ministra Infrastruktury i Budownictwa z dnia 17 listopada 2016 roku w sprawie sposobu deklarowania właściwości użytkowych wyrobów budowlanych oraz sposobu znakowania ich znakiem budowlanym (Dz.U. z 2016 r., poz. 1966 z późn. zm.), który wprowadził obowiązek certyfikacji, z okresem przejściowym do 1 stycznia 2021 r.
- Rozporządzenia Ministra Rozwoju, Pracy i Technologii z dnia 4 grudnia 2020 r. zmieniającego rozporządzenie w sprawie sposobu deklarowania właściwości użytkowych wyrobów budowlanych oraz sposobu znakowania ich znakiem budowlanym (Dz.U. z 2020 r., poz. 2297).
Wymagane dokumenty certyfikujące dla PWP to:
- Krajowa Ocena Techniczna
- Krajowy Certyfikat Stałości Właściwości Użytkowych (wydawany przez Jednostkę Certyfikującą)
- Krajowa Deklaracja Właściwości Użytkowych (wystawiana przez producenta)
Przeciwpożarowy wyłącznik prądu nie wymaga Świadectwa Dopuszczenia do stosowania w ochronie przeciwpożarowej wydanego przez CNBOP, ponieważ nie znajduje się na liście wyrobów podlegających temu wymogowi. Dla PWP nie ma również zharmonizowanej normy EU, co uniemożliwia znakowanie CE.
W przypadku obiektów, dla których dokumentacja projektowa przewidywała zastosowanie PWP zgodnie z §183 WT, zmiana polega na dodatkowym obowiązku certyfikacji wyrobu. Data uzyskania pozwolenia na budowę nie ma wpływu na dokumenty wymagane do wprowadzenia wyrobu na rynek.
Konserwacja i przeglądy PWP
Przeciwpożarowy wyłącznik prądu, jako urządzenie ochrony przeciwpożarowej, wymaga okresowej konserwacji i przeglądów. Czynności te powinny być wykonywane zgodnie z:
- Polskimi Normami
- Dokumentacją Techniczno-Ruchową opracowaną przez producenta
- Instrukcją obsługi opracowaną przez producenta
Przeglądy powinny być przeprowadzane w okresach ustalonych przez producenta, nie rzadziej niż raz w roku. Producent w instrukcji obsługi wskazuje podmioty upoważnione do wykonywania okresowych przeglądów i napraw. Konserwacja powinna być wykonywana przez podmioty posiadające odpowiednie kwalifikacje i uprawnienia.
Integracja z systemami bezpieczeństwa
Certyfikowany przeciwpożarowy wyłącznik prądu jest przystosowany do współpracy z systemami sygnalizacji pożarowej (SSP), integratorami, centralami sterującymi urządzeniami przeciwpożarowymi oraz systemami zarządzania budynkiem (BMS). Może działać z opóźnieniem, na przykład w celu umożliwienia bezawaryjnego zamknięcia serwerów.
Podstawowe funkcje, które należy założyć w scenariuszu pożarowym, to kontrola stanu załączony/wyłączony oraz kontrola uszkodzenia systemu PWP.
Możliwe jest multiplikowanie poszczególnych urządzeń PWP, np. do celów ochrony wielu obiektów w jednym systemie, co jest kwestią projektową.
W przypadku montażu fotowoltaiki, PWP należy stosować, jeśli instalacja PV znajduje się w budynku o kubaturze powyżej 1000 m³, a w innych przypadkach według uznania projektanta.

tags: #czy #budynek #wyposazony #w #przeciwpozarowy #wylacznik