W dniu dzisiejszym o godzinie 9:00 na placu przy siedzibie Wojewódzkiej Stacji Pogotowia Ratunkowego w Rzeszowie przy ul. Poniatowskiego 4 odbyło się uroczyste, symboliczne przekazanie ambulansów zakupionych w 2025 roku. Karetki wraz z niezbędnym sprzętem medycznym zostały nabyte z dofinansowaniem ze strony Województwa Podkarpackiego i Skarbu Państwa.
Mając na uwadze zadania statutowe Wojewódzkiej Stacji Pogotowia Ratunkowego w Rzeszowie, obejmujące udzielanie świadczeń zdrowotnych w zakresie ratownictwa medycznego, transportu medycznego i sanitarnego, zakupione ambulanse oraz niezbędne wyposażenie służą utrzymaniu wysokiego poziomu bezpieczeństwa mieszkańców województwa podkarpackiego oraz wysokiego poziomu jakości świadczonych usług zdrowotnych. Nowoczesne karetki przyczyniają się do skrócenia czasu dotarcia zespołów ratownictwa medycznego na miejsce zdarzenia oraz, w przypadku transportu medycznego i sanitarnego, czasu przewozu pacjentów.
Istotnym elementem działań na rzecz ratownictwa medycznego jest systematyczna wymiana taboru samochodowego z uwagi na wysoki poziom eksploatacji karetek, wynikający przede wszystkim z bardzo dużej ilości wyjazdów do osób w stanach zagrożenia zdrowia i życia.
Od stycznia 2025 roku Województwo Podkarpackie udzieliło również dofinansowania na rzecz WSPR w Rzeszowie w zakresie modernizacji pokrycia dachowego budynku przy ul. Poniatowskiego 4. Przedmiotowy obiekt stanowi siedzibę Wojewódzkiej Stacji Pogotowia Ratunkowego w Rzeszowie i pełni istotną rolę w systemie ochrony zdrowia, w szczególności w zakresie udzielania świadczeń ratujących zdrowie i życie. W budynku mieszczą się m.in. Izba Przyjęć, Kliniczny Oddział Paliatywno-Hospicyjny, Ambulatorium Stomatologiczne oraz baza stacjonowania trzech Zespołów Ratownictwa Medycznego.
Zakres zadania finansowanego z dotacji obejmował w szczególności demontaż istniejącego pokrycia dachowego oraz wykonanie nowego pokrycia wraz z systemem odprowadzania wód opadowych, a także mycie i malowanie elewacji budynku. Zrealizowane prace pozwoliły na skuteczne zabezpieczenie obiektu przed zalewaniem oraz ochronę ścian i konstrukcji przed negatywnym wpływem czynników atmosferycznych.
W 2025 roku zakończone zostało również zadanie inwestycyjne pod nazwą „Modernizacja pokrycia dachowego WSPR w Rzeszowie przy al. Wyzwolenia 4”. Zakres prac realizowany był w latach 2024 i 2025.
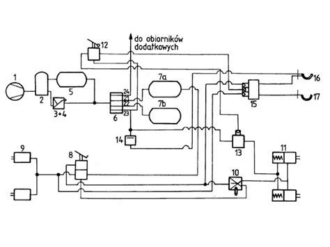
Zastosowania pneumatyki w przemyśle i motoryzacji
W artykule przedstawiono szerokie zastosowania pneumatyki w przemyśle i motoryzacji, podkreślając jej znaczenie w procesie automatyzacji. Pneumatyka, oparta na wykorzystaniu sprężonego powietrza, znajduje zastosowanie w wielu sektorach dzięki swojej prostocie, niezawodności, bezpieczeństwu i niskim kosztom eksploatacji.
W przemyśle układy pneumatyczne stosowane są m.in. w urządzeniach takich jak: gilotyny, prasy lub wykrojniki, w których wykorzystuje się logikę sterowania i elementy bezpieczeństwa, np. zawory czasowe. Pneumatyka wspomaga również systemy oddymiania w halach przemysłowych, umożliwiając szybkie otwieranie klap w sytuacjach awaryjnych.

In the paper, the wide range of applications of pneumatics in industry and automotive, emphasizing its importance in the automation processes were presented. Pneumatics, which is based on the use of compressed air, is used in many sectors due to its simplicity, reliability, safety, and low operating costs. In industry, pneumatic systems are used in devices such as guillotines, presses, or punching machines, which use control logic and safety elements, such as time-delay valves. Pneumatics also support smoke evacuation systems in industrial halls, enabling quick opening of flaps in emergency situations.
Oddymianie budynków wielkogabarytowych
Oddymianie i doświetlanie to dwie niezbędne funkcje w wielkogabarytowych budynkach. Klapy dymowe spełniają nie tylko rolę bezpieczeństwa, ale również zapewniają prawidłową higienę pracy.
Podstawową funkcją klap dymowych jest zapewnienie wentylacji podczas zaistniałego pożaru. Wentylacja przeciwpożarowa to system warunkujący bezpieczeństwo budynku. Dobrze rozmieszczone, umożliwiają lepszą drogę ewakuacji, szczególnie w ciągach komunikacyjnych, jak na przykład klatki schodowe. Właściwie zainstalowany system oddymiający ułatwia działania ratownicze i ewakuację. Dzięki niemu w dolnej części pomieszczenia zaistnieje przestrzeń wolna od dymu oraz obniży się wzrost temperatury.

Funkcjonalność klap dymowych i świetlików dachowych
Klapy dymowe stają się niezwykle przydatne w codziennej eksploatacji budynku. Dobrze rozmieszczone, nie tylko ze względu na zwiększenie bezpieczeństwa podczas pożaru, zapewniają również większą ilość naturalnego światła. Dzięki systemom elektrycznym, czy pneumatycznym klapy dachowe można otwierać i zamykać w każdym momencie.
Chcąc zadbać o prawidłową higienę pracy, ważne jest zapewnienie jak największej ilości naturalnego światła oraz wietrzenia pomieszczeń. Montaż klap dymowych czy świetlików dachowych nie tylko zagwarantuje większe bezpieczeństwo w razie pożaru, ale również zapewni lepsze doświetlenie i wentylację pomieszczeń, dlatego warto już na etapie projektowania budynku uwzględnić ich funkcjonowanie.
Instalacje oddymiania i inne systemy bezpieczeństwa
Pragniemy przedstawić Państwu ofertę PHU Konkret, które od 1996 roku jest wykonawcą instalacji: sygnalizacji pożaru, oddymiania, dźwiękowych systemów ostrzegawczych, przyzywowych, sygnalizacji włamania, elektrycznych, nagłośnieniowych i telewizji przemysłowej. Wykonujemy prace w obiektach użyteczności publicznej typu: szpitale, akademiki, domy opieki, sądy, urzędy, hotele, uczelnie.
W zakres naszej działalności wchodzi projektowanie, montaż oraz konserwacja w/w instalacji. Oferujemy kompleksową obsługę potrzeb w w/w zakresie zgodnie z najnowszymi tendencjami stawianymi w nowoczesnym budownictwie. W wyborze materiałów kierujemy się nie tylko ich ceną, ale wieloletnim doświadczeniem, biorąc pod uwagę ich niezawodność oraz zapotrzebowania klienta. Dzięki wysokiej dyscyplinie, bogatym doświadczeniom, niskim kosztom własnym, jesteśmy bardzo konkurencyjni pod względem jakości oraz cen.
Pragniemy też poinformować, że posiadamy wysokie kwalifikacje oraz wszelkie niezbędne uprawnienia do prowadzenia działalności w tym zakresie, zapewniamy również serwis gwarancyjny jak i pogwarancyjny montowanych instalacji.
Decydując się na usługi naszej firmy, wybieracie Państwo solidnego partnera, który z całą pewnością nie zawiedzie Waszych oczekiwań oraz skutecznie wyjdzie naprzeciw Państwa potrzebom. Działamy na terenie całego kraju. Większość pozycji z naszej listy referencyjnej to instalacje o wartości kilkuset tysięcy złotych.
Referencje
- Relavia Sp. z o.o.
- Specjalistyczny Szpital im. dra A.
- Caritas Archidiecezji Katowickiej Ośrodek M.B. Uzdrowienie Chorych w Knurowie - System SSP, sterowanie oddymianiem i windami, oświetlenie ewakuacyjne, system przywoławczy, dokumentacja projektowa.
- Chełmska Biblioteka Publiczna im.
Podstawy naukowe i literaturę przedmiotu
Wydział Budowy Maszyn i Lotnictwa, Katedra Inżynierii Lotniczej i Kosmicznej, ul. Uniwersytet Rzeszowski, Wydział Nauk Ścisłych i Technicznych. Instytut Inżynierii Materiałowej.
Bibliografia
- Baier A., Kost G., Sękala A., Świder J., Zdanowicz R.: Podstawy syntezy pneumatycznych i elektropneumatycznych układów sterowania. Pod redakcją Jerzego Świdra.
- Bukowska-Piestrzyńska A., Doński-Lesiuk J., Karkowski T. A., Motowidlak U.: Innowacyjne rozwiązania w logistyce: aspekty wybrane.
- CDX Automotive Staff., Jones & Bartlett Learning: Brakes: Fundamentals of Automotive Technology. LLC.
- Gabryelewicz M., Zając P.: Budowa pojazdów samochodowych. Wydawnictwa Komunikacji i Łączności, Warszawa.
- Kaczmarek W., Panasiuk J.: Robotyzacja procesów produkcyjnych. Wprowadzenie.
- Kost G., Łebkowski P., Węsierski Ł.N.: Automatyzacja i robotyzacja procesów produkcyjnych.
- Merkisz J., Pielecha I.: Alternatywne paliwa i układy napędowe pojazdów. Wydawnictwo Politechniki Poznańskiej.
- Piasecki J.: Zaprojektowanie i wykonanie stanowiska do badania układów hamulcowych w pojazdach samochodowych. Praca inżynierska. Akademia Tarnowska.
- Prochowski L., Żuchowski A.: Samochody ciężarowe i autobusy. Wydawnictwa Komunikacji i Łączności, Warszawa.
- Synnestvedt P.: Evolution Of The Air-Brake: A Brief But Comprehensive History Of The Development Of The Modern Railroad Brake. Kessinger Publishing.
- Szelerski M. W.: Automatyka przemysłowa w praktyce. Projektowanie, modernizacja i naprawa.
- Szelerski M. W.: Układy pneumatyczne w maszynach i urządzeniach.
- Szenajch W.: Napęd i sterowanie pneumatyczne.
- Świder J.: Sterowanie i automatyzacja procesów technologicznych i układów mechatronicznych.
- Węsierski Ł.N.: Pneumatyka.
- Wilmerding and the Westinghouse Air Brake Company. Arcadia Publishing.
- Żyłka M., Żyłka W.: Napędy pneumatyczne w automatyzacji produkcji, Obróbka Metalu, nr 4/2018, ss.
- Żyłka M., Żyłka W.: Pneumatyczne układy sterowania w procesach wytwórczych, Obróbka Metalu, nr 1/2019, ss.
tags: #oddymianie #uniwersytet #rzeszowski