Zapewnienie bezpieczeństwa pożarowego obiektu budowlanego powinno być priorytetem dla każdego zarządcy, właściciela firmy czy osoby odpowiedzialnej za infrastrukturę. Jednym z istotnych elementów systemów ochrony przeciwpożarowej jest Przeciwpożarowy Wyłącznik Prądu (PWP). Jego stosowanie wynika z przepisów budowlanych, określonych m.in. w Rozporządzeniu Ministra Infrastruktury w sprawie warunków technicznych, jakim powinny odpowiadać budynki i ich usytuowanie.
Przeciwpożarowy wyłącznik prądu (PWP) jest urządzeniem służącym do odcięcia dopływu prądu elektrycznego do wszystkich obwodów budynku, z wyjątkiem tych, których funkcjonowanie jest kluczowe podczas pożaru. Działanie PWP polega na natychmiastowym odcięciu dopływu prądu do budynku w sytuacji zagrożenia pożarem. Podczas akcji gaśniczej strażacy często korzystają z wody, która jest przewodnikiem prądu, co może stanowić zagrożenie porażenia. PWP eliminuje to ryzyko, chroniąc zarówno służby ratownicze, jak i osoby przebywające w budynku.

Podstawy prawne stosowania PWP
Obowiązek stosowania przeciwpożarowego wyłącznika prądu wynika z § 183 ust. 2 Rozporządzenia Ministra Infrastruktury z dnia 12 kwietnia 2002 r. w sprawie warunków technicznych, jakim powinny odpowiadać budynki i ich usytuowanie (Dz.U. z 2019 r., poz. 1065 z późn. zm.). Zgodnie z tym przepisem, w instalacjach elektrycznych należy stosować przeciwpożarowy wyłącznik prądu (PWP), który odcina dopływ prądu do wszystkich obwodów, z wyjątkiem obwodów zasilających instalacje i urządzenia, których funkcjonowanie jest niezbędne podczas pożaru.
Wyłącznik jest konieczny w strefach pożarowych o kubaturze przekraczającej 1000 m³ lub zawierających strefy zagrożone wybuchem. Dotyczy to również obiektów zabytkowych.
Dodatkowo, § 183 ust. 3 tego rozporządzenia określa miejsce instalowania PWP: "Przeciwpożarowy wyłącznik prądu powinien być umieszczony w pobliżu głównego wejścia do obiektu lub złącza i odpowiednio oznakowany".
Zgodnie z Rozporządzeniem Ministra Spraw Wewnętrznych i Administracji z dnia 7 czerwca 2010 r. w sprawie ochrony przeciwpożarowej budynków, innych obiektów budowlanych i terenów (Dz. U. z 2010 r. nr 109, poz. 719 z późn. zm.), przeciwpożarowe wyłączniki prądu są urządzeniami przeciwpożarowymi. W związku z tym, powinny zostać wykonane zgodnie z projektem uzgodnionym przez rzeczoznawcę do spraw zabezpieczeń przeciwpożarowych. Warunkiem dopuszczenia ich do użytkowania jest przeprowadzenie odpowiednich prób i badań, potwierdzających prawidłowość ich działania.
Wyjątki od obowiązku stosowania PWP
Jak wskazuje sama treść rozporządzenia, obowiązek stosowania PWP nie dotyczy wszystkich obiektów. Konkretne wyłączenia mogą być określone w przepisach szczegółowych, jednak generalnie PWP jest wymagany w budynkach lub strefach pożarowych o znacznej kubaturze lub zagrożonych wybuchem.
Budowa i zasada działania Przeciwpożarowego Wyłącznika Prądu
Przeciwpożarowy wyłącznik prądu (PWP) składa się zazwyczaj z kilku kluczowych elementów:
- Urządzenie wykonawcze: Jest to aparat elektryczny, zazwyczaj rozłącznik lub wyłącznik, stanowiący element mechanicznego odłączenia dopływu energii elektrycznej do budynku. Aparat wykonawczy PWP jest zwykle instalowany w rozdzielnicy głównej budynku, w pomieszczeniu wydzielonym pożarowo lub w rozdzielnicy pożarowej.
- Urządzenie uruchamiające: Jest to zazwyczaj zdalnie sterowany przycisk (tzw. "czerwony przycisk"), który pozwala na podanie sygnału do urządzenia wykonawczego. Może być to przycisk monostabilny (powracający do pozycji wyjściowej po zwolnieniu) lub bistabilny (pozostający w aktywowanej pozycji do momentu ponownego wciśnięcia).
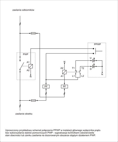
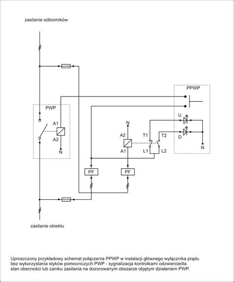
- Urządzenie sygnalizujące: Sygnalizator optyczny, najczęściej w postaci diody LED, wskazujący jednoznacznie o wyłączeniu zasilania na budynku poprzez świecenie.
Wyzwalanie aparatu wykonawczego może odbywać się na dwa sposoby:
- Wyzwalacz wzrostowy (napięciowy): Powoduje otwarcie styków urządzenia wykonawczego PWP w przypadku podania napięcia zasilającego na cewkę wyzwalacza.
- Wyzwalacz zanikowy: Powoduje otwarcie styków urządzenia wykonawczego w przypadku zaniku lub obniżenia się napięcia poniżej wartości dopuszczalnej przez cewkę wyzwalacza.
Odcięcie dopływu prądu przez PWP nie może powodować samoczynnego załączenia drugiego źródła energii elektrycznej, z wyjątkiem źródła zasilającego oświetlenie awaryjne, jeżeli występuje ono w budynku, a także innych urządzeń elektrycznych, które muszą funkcjonować w czasie pożaru.

Wymagania dotyczące certyfikacji i znakowania
Przeciwpożarowy wyłącznik prądu, jako wyrób budowlany, musi spełniać określone wymagania dotyczące zgodności i jakości. Zgodnie z Rozporządzeniem Ministra Infrastruktury i Budownictwa z dnia 17 listopada 2016 r. w sprawie sposobu deklarowania właściwości użytkowych wyrobów budowlanych oraz sposobu znakowania ich znakiem budowlanym, PWP powinien:
- Posiadać Krajową Ocenę Techniczną (KOT): Dokument ten potwierdza, że wyrób spełnia wymagania użytkowe i może być wprowadzony do obrotu w Polsce.
- Uzyskać Krajowy Certyfikat Stałości Właściwości Użytkowych: Dokument ten potwierdza, że wyrób zachowuje deklarowane właściwości użytkowe w czasie, w tym w zakresie bezpieczeństwa pożarowego.
- Być oznakowany znakiem budowlanym „B”: Oznaczenie to informuje, że wyrób został oceniony zgodnie z krajowym systemem oceny zgodności i spełnia wymagania polskiego prawa budowlanego.
W przypadku zestawów wyrobów budowlanych, należy rozumieć przez to wyrób wprowadzony do obrotu przez jednego producenta, składający się co najmniej z dwóch odrębnych składników, które muszą zostać połączone, aby produkt mógł zostać zastosowany w obiektach budowlanych (art. 2 pkt 2 rozporządzenia Nr 305/2011).
Instalacja i konserwacja PWP
Przeciwpożarowy wyłącznik prądu powinien być zainstalowany w miejscu łatwo dostępnym dla ekip ratowniczych, zazwyczaj w pobliżu głównego wejścia do budynku lub złącza elektrycznego. Musi być również odpowiednio oznakowany.
Zgodnie z przepisami, przeciwpożarowy wyłącznik prądu podlega okresowej konserwacji i przeglądom technicznym. Odpowiedzialność za zapewnienie, że obiekt jest wyposażony w sprawny PWP, spoczywa na właścicielu, zarządcy lub użytkowniku obiektu, w zależności od zapisów umowy lub przepisów szczególnych.
przeciwpożarowy wyłącznik prądu
Konfiguracje PWP i ich bezpieczeństwo
Istnieje kilka konfiguracji PWP, różniących się zastosowanymi rozwiązaniami, co wpływa na ich niezawodność i bezpieczeństwo:
1. Podstawowe rozwiązanie z wyzwalaczem zanikowym
Jest to najprostsze rozwiązanie, nieposiadające kontroli nad instalacją sterującą. Może wymagać wzmożonych prac konserwacyjno-serwisowych i jest zalecane dla obiektów z obsługą techniczną i możliwością czasowego wyłączenia zasilania do testowania.
Zalety: Prostota konstrukcji.
Wady: Brak kontroli ciągłości przewodów, co może prowadzić do sytuacji, gdy uszkodzenie przewodu (np. zwarcie) uniemożliwi wyłączenie urządzenia wykonawczego.
2. Rozwiązanie z wyzwalaczem zanikowym i kontrolą
Zwiększa bezpieczeństwo dzięki zastosowaniu układu kontrolno-sterującego, który wykrywa uszkodzenia przewodu i wysyła sygnał o awarii do systemów nadrzędnych (np. SSP, BMS).
Zalety: Zwiększone bezpieczeństwo dzięki kontroli ciągłości linii sterującej, odporność na zapady i zaniki zasilania podstawowego.
Wady: Bardziej złożona konstrukcja.
Takie rozwiązanie pozwala zakwalifikować urządzenie do klasy A urządzeń przeciwpożarowych, które przy zaniku zasilania nie przechodzą do położenia pożarowego bezpiecznego, przez co należy je wyposażyć w zasilanie rezerwowe (np. zasilacz buforowany zgodny z normą PN-EN 12101-10).
3. Rozwiązanie z wyzwalaczem wzrostowym
Wyzwalacz wzrostowy powoduje otwarcie styków urządzenia wykonawczego PWP w przypadku podania napięcia zasilającego na cewkę wyzwalacza. W układzie z automatyką bez kontroli, takie rozwiązanie może nie zadziałać w przypadku awarii zasilania podstawowego lub przerwy/zwarcia w okablowaniu. Jest to najczęściej wybierane rozwiązanie przez projektantów i wykonawców, mimo potencjalnych ryzyk.
4. Rozwiązanie z wyzwalaczem wzrostowym, kontrolą i zasilaniem klasy A
Preferowane do rozległych i skomplikowanych obiektów, gdzie czasowe wyłączenie zasilania do testów jest niemożliwe lub utrudnione. Zastosowanie modułu kontrolno-sterującego MKIN-PWP zapewnia wykrywanie uszkodzeń linii i współpracę z systemami nadrzędnymi.
Zalety: Wysoki poziom niezawodności i stabilności działania, odporność na awarie, możliwość integracji z systemami zarządzania budynkiem.
Wady: Bardziej złożona i kosztowna instalacja.
Cała automatyka sterująco-sygnalizująca jest zasilana z zasilacza buforowanego, zapewniając ciągłość dostawy energii nawet w przypadku zaniku zasilania sieciowego.

Wymagania dotyczące obudów
W celu zapewnienia wymaganych warunków środowiskowych dla urządzeń PWP, należy zabudować je w odpowiedniej obudowie:
- Klasa 1 (wewnętrzna): Stopień ochrony obudowy IP 30, zakres temperatury pracy od -5°C do +40°C.
- Klasa 2 (zewnętrzna): Stopień ochrony obudowy IP 54, zakres temperatury pracy od -25°C do +75°C.
Wersje zasilania PWP
Dostępne są dwie wersje zasilania przeciwpożarowego wyłącznika prądu PWP pod względem napięcia:
- 230 VAC
- 24 VDC (napięcie bezpieczne, zapewniające zwiększony poziom bezpieczeństwa obsługi)
Projektant powinien zwrócić uwagę na dobór odpowiedniego rozwiązania dla konkretnej instalacji.
Podsumowanie
Przeciwpożarowy wyłącznik prądu (PWP) jest kluczowym elementem zabezpieczenia budynku przed skutkami pożaru. Jego prawidłowe zaprojektowanie, instalacja, certyfikacja oraz regularna konserwacja są kluczowe dla zapewnienia bezpieczeństwa użytkowników budynku oraz skutecznego prowadzenia akcji ratowniczo-gaśniczych. Każdy właściciel obiektu powinien być świadomy znaczenia prawidłowego funkcjonowania przeciwpożarowego wyłącznika prądu.
tags: #przeciwpozarowy #wylacznik #pradu #230v #ppwp