Przeciwpożarowy Wyłącznik Prądu (PWP) jest kluczowym elementem systemów bezpieczeństwa w budynkach, mającym na celu odcięcie zasilania elektrycznego w przypadku pożaru, z wyjątkiem obwodów niezbędnych do jego zwalczania. W niniejszym artykule szczegółowo omówimy podstawy prawne stosowania PWP, wymagania dotyczące tych urządzeń, ewolucję przepisów oraz rolę Krajowej Oceny Technicznej (KOT) we współczesnym procesie certyfikacji.
Podstawa prawna stosowania Przeciwpożarowego Wyłącznika Prądu (PWP)
1. Obowiązek stosowania
Obowiązek stosowania PWP został wprowadzony w życie już w 2002 roku. Kluczowe regulacje w tym zakresie zawiera Rozporządzenie Ministra Infrastruktury z dnia 12 kwietnia 2002 roku w sprawie warunków technicznych, jakim powinny odpowiadać budynki i ich usytuowanie (tekst jednolity: Dz.U. 2019 poz. 1065 z późniejszymi zmianami).
§ 183 Rozporządzenia Ministra Infrastruktury
Zgodnie z tym rozporządzeniem:
- ust. 2 Przeciwpożarowy Wyłącznik Prądu (PWP), odcinający dopływ prądu do wszystkich obwodów, z wyjątkiem obwodów zasilających instalacje i urządzenia, których funkcjonowanie jest niezbędne podczas pożaru, należy stosować w strefach pożarowych o kubaturze przekraczającej 1000 m³ lub zawierających strefy zagrożone wybuchem.
- ust. 3 Przeciwpożarowy Wyłącznik Prądu (PWP) powinien być umieszczony w pobliżu głównego wejścia do obiektu lub złącza i odpowiednio oznakowany.
- ust. 4 Odcięcie dopływu prądu przeciwpożarowym wyłącznikiem nie może powodować samoczynnego załączenia drugiego źródła energii elektrycznej, w tym zespołu prądotwórczego, z wyjątkiem źródła zasilającego oświetlenie awaryjne, jeżeli występuje ono w budynku.
Niestety, pierwotne rozporządzenie nie przewidywało aktów wykonawczych normalizujących wymagania dotyczące budowy i funkcjonalności PWP. W praktyce powodowało to brak unifikacji urządzeń, co utrudniało ich obsługę i konserwację.
2. Wymagany krajowy system oceny i weryfikacji stałości właściwości użytkowych nr 1 i certyfikat stałości własności użytkowych dla Przeciwpożarowych Wyłączników Prądu (PWP)
Istotne zmiany w zakresie oceny i deklarowania właściwości użytkowych wyrobów budowlanych wprowadziło Rozporządzenie Ministra Infrastruktury i Budownictwa z dnia 17 listopada 2016 roku (Dz. U. z 2016 r. poz. 1966 z późniejszymi zmianami). W ramach tego rozporządzenia PWP został zakwalifikowany do grupy 10 - stałe urządzenia przeciwpożarowe.
Krajowy system oceny nr 1
System ten wymaga, aby PWP był produkowany na podstawie krajowej specyfikacji technicznej, którą w przypadku braku polskiej normy stanowi Krajowa Ocena Techniczna (KOT). KOT określa typ wyrobu budowlanego oraz zawiera zestaw reprezentatywnych poziomów lub klas właściwości użytkowych. Skutkiem tego procesu jest wydanie krajowego certyfikatu stałości właściwości użytkowych.
Okres przejściowy dla stosowania tego rozporządzenia, który był kilkukrotnie przedłużany, zakończył się 1 stycznia 2021 roku. Od tego momentu obowiązuje wymóg posiadania krajowego certyfikatu stałości właściwości użytkowych dla PWP.
Do 23 marca 2022 roku rynek nie posiadał certyfikowanego wyrobu w postaci PWP, co stanowiło tzw. "martwe prawo".

3. Dopuszczenie jednostkowe
W okresie przejściowym, w celu umożliwienia wprowadzania PWP do obrotu, stosowano dopuszczenie jednostkowe zgodnie z art. 10 ust. 1 Ustawy o wyrobach budowlanych z dnia 16 kwietnia 2004 roku (Dz. U. 2004 Nr 92, poz. 881). Ten tryb dotyczy wyrobów budowlanych wymagających indywidualnego zaprojektowania i wytworzenia ze względu na specjalne, niestandardowe potrzeby.
Jednakże, droga dopuszczenia jednostkowego została wyłączona z możliwości wprowadzania do obrotu PWP w zakresie powszechnie dostępnych urządzeń z certyfikatem stałości właściwości użytkowych, objętych Krajową Oceną Techniczną KOT od 23 marca 2022 roku.
4. Dokument odniesienia dla Przeciwpożarowego Wyłącznika Prądu PWP
Zgodnie z Rozporządzeniem Ministra Infrastruktury i Budownictwa z dnia 17 listopada 2016 roku, ustalenia zawarte w Krajowej Ocenie Technicznej (KOT) stanowią dokument odniesienia dla wyrobu budowlanego, jakim jest PWP. KOT pełni funkcję normy wyrobu i określa wymagania dla tego typu urządzenia przeciwpożarowego.
Podstawowe wymagania dla urządzeń budowlanych są również wymienione w art. 5 ust. 1 pkt 1 Ustawy z dnia 7 lipca 1994 r. - Prawo budowlane.
Budowa i funkcjonalność Przeciwpożarowego Wyłącznika Prądu (PWP)
Przeciwpożarowy wyłącznik prądu (PWP) jest zazwyczaj zestawem co najmniej dwóch odrębnych urządzeń, które muszą zostać połączone, aby mogły być zastosowane w obiektach budowlanych. Zgodnie z załącznikiem do Rozporządzenia Ministra Infrastruktury i budownictwa z dnia 17 listopada 2016 roku, PWP składa się z następujących elementów:
Urządzenie wykonawcze
Jest to zasadniczy element PWP, odpowiedzialny za mechaniczne odłączenie dopływu energii elektrycznej do budynku. Może to być rozłącznik lub wyłącznik. Aparat wykonawczy jest zazwyczaj umieszczony w oddzielnej obudowie, instalowanej w pomieszczeniu technicznym, złączu kablowym lub bezpośrednio przy wejściu do budynku.
W przypadku wykorzystania wyłącznika, kluczowe jest zapewnienie odpowiedniej koordynacji z innymi elementami systemu, takimi jak wyłączniki i bezpieczniki (tzw. selektywność).
Urządzenie uruchamiające
Jest to element odpowiedzialny za zdalne sterowanie PWP. Zazwyczaj jest to przycisk, który po naciśnięciu podaje sygnał sterujący do automatyki PWP lub bezpośrednio na cewkę urządzenia wykonawczego. Zgodnie z § 183 ust. 3 Rozporządzenia Ministra Infrastruktury z dnia 12 kwietnia 2002 roku, przycisk zdalnego uruchomienia PWP należy instalować przy głównym wejściu do budynku.
Urządzenia uruchamiające mogą być połączone równolegle, co oznacza, że naciśnięcie dowolnego z nich spowoduje wyłączenie urządzenia wykonawczego.
Urządzenie sygnalizujące
Służy do jednoznacznego wskazania stanu wyłączenia zasilania w budynku. Najczęściej jest to sygnalizator optyczny, np. zielona dioda LED, umieszczona w oddzielnej obudowie. Sygnalizacja jest sterowana za pośrednictwem automatyki PWP lub bezpośrednio ze styków krańcowych urządzenia wykonawczego.
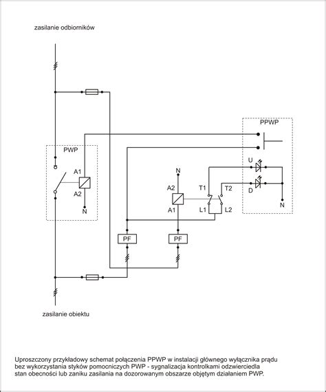
Jak podłączyć przeciwpożarowy wyłącznik prądu ? [ROP, FRX, PF-431, fotowoltaika powyżej 6,5kWp]
Rozwiązania techniczne i ich charakterystyka
W zależności od specyfiki obiektu i wymagań, stosuje się różne rozwiązania techniczne PWP:
1. Proste rozwiązanie z wyzwalaczem wzrostowym/zanikowym
Jest to najprostsza konfiguracja, która nie posiada zaawansowanej kontroli nad instalacją sterującą. Wymaga ona wzmożonych prac konserwacyjno-serwisowych i jest zalecana dla obiektów ze stałą obsługą techniczną oraz możliwością czasowego wyłączenia zasilania budynku w celu testowania instalacji.
- Wyzwalacz wzrostowy: Powoduje otwarcie styków urządzenia wykonawczego PWP w przypadku podania napięcia zasilającego na cewkę wyzwalacza.
- Wyzwalacz zanikowy: Powoduje otwarcie styków urządzenia wykonawczego w przypadku zaniku lub obniżenia się napięcia poniżej wartości dopuszczalnej przez cewkę wyzwalacza.
Zasilanie niezbędne do zadziałania wyłącznika pobierane jest za pośrednictwem przerzutnika faz, zapewniającego energię do zadziałania wyzwalacza nawet po zaniku napięcia na jednej lub dwóch fazach. Dopuszcza się wykorzystanie wyzwalaczy 230VAC lub 24V (napięcie bezpieczne).
2. Rozwiązanie z modułem kontrolno-sterującym MKIN-PWP
To rozwiązanie jest preferowane dla rozległych i skomplikowanych obiektów przemysłowych, budynków biurowych i użyteczności publicznej, gdzie czasowe wyłączenie zasilania budynku do celów testowych jest niemożliwe lub bardzo utrudnione.
Zwiększenie bezpieczeństwa w tym rozwiązaniu polega na zastosowaniu modułu kontrolno-sterującego MKIN-PWP, który natychmiast po wykryciu uszkodzenia przewodu pomiędzy urządzeniem uruchamiającym a urządzeniem wykonawczym, wysyła sygnał o uszkodzeniu do systemu nadrzędnego (np. SSP lub BMS).
Moduł MKIN-PWP kontroluje ciągłość przewodu do urządzenia uruchamiającego, steruje wyzwalaczem zanikowym lub wzrostowym, odlicza czas opóźnienia do wyłączenia (w przypadku współpracy z systemami UPS) oraz posiada wejście zezwalające na wyłączenie zdalne z poziomu integratora/centrali sterującej.
Automatyka sterująco-sygnalizująca zasilana jest z zasilacza buforowanego, zapewniającego ciągłość dostawy energii do części sygnalizacyjno-sterującej nawet w przypadku zaniku zasilania sieciowego.
Moduł MKIN-PWP umożliwia integrację z systemami wizualizacji za pośrednictwem interfejsu RS485 (protokół BacNET MS/TP) lub innego protokołu (np. Modbus) przy wykorzystaniu opcjonalnego sterownika konwertującego protokoły.
Elementem wykonawczym mogą być kompaktowe wyłączniki NZM, rozłączniki N lub wyłączniki powietrzne IZM/IZMX/IN/INX z odpowiednim wyzwalaczem. Całość zabudowywana jest w rozdzielnicach xEnergy, dopasowanych do wymaganego prądu znamionowego i specyfikacji technicznej instalacji.
Podsumowanie kluczowych kwestii
- Obowiązek stosowania Przeciwpożarowego Wyłącznika Prądu (PWP) jest powszechnie znany i obowiązuje od 2002 roku.
- Wymóg systemu oceny i weryfikacji stałości właściwości użytkowych nr 1 dotyczy grupy 10 wyrobów budowlanych - stałe urządzenia przeciwpożarowe, w tym PWP.
- Dopuszczenie jednostkowe dla PWP było możliwe wyłącznie w okresie przejściowym (do 2022 roku) i dotyczyło wyłącznie wyrobów wymagających indywidualnego zaprojektowania i wytworzenia ze względu na specjalne potrzeby. Procedura ta nie jest zamiennikiem dla urządzeń dopuszczonych do obrotu i oznakowanych znakiem budowlanym.
- Krajowa Ocena Techniczna (KOT) stanowi dokument odniesienia dla PWP, pełniąc rolę normy wyrobu. Nie można jej zastępować procedurą dopuszczenia jednostkowego, chyba że występują specjalne, niestandardowe wymagania dla urządzenia lub obiektu budowlanego, których nie spełnia urządzenie objęte KOT.
tags: #przeciwpozarowy #wylacznik #pradu #deklaracja