Przeciwpożarowy wyłącznik prądu (PWP) jest kluczowym elementem systemów bezpieczeństwa w obiektach budowlanych, zaprojektowanym do odcinania dopływu energii elektrycznej w sytuacjach zagrożenia pożarowego. Jego głównym zadaniem jest zapobieganie rozprzestrzenianiu się ognia oraz minimalizowanie szkód poprzez eliminację potencjalnych źródeł zapłonu lub podtrzymywania pożaru.
Podstawy prawne i definicja
Funkcja, jaką pełni przeciwpożarowy wyłącznik prądu (PWP) w obiektach budowlanych, została szczegółowo określona w Rozporządzeniu Ministra Infrastruktury z dnia 12 kwietnia 2002 roku w sprawie warunków technicznych, jakim powinny odpowiadać budynki i ich usytuowanie (tekst jednolity: Dz.U. 2019 poz. 1065). Zgodnie z tymi wymogami, PWP powinien odcinać dopływ energii elektrycznej do wszystkich odbiorników, z wyjątkiem obwodów zasilających instalacje i urządzenia, których funkcjonowanie jest niezbędne podczas pożaru.
W myśl §183 ust. 3 wspomnianego rozporządzenia, miejsce instalowania przeciwpożarowego wyłącznika prądu powinno znajdować się w pobliżu głównego wejścia do obiektu lub złącza, a samo urządzenie musi być odpowiednio oznakowane.
Zgodnie z Załącznikiem do Rozporządzenia Ministra Infrastruktury i Budownictwa z dnia 17 listopada 2016 roku, określającym sposób deklarowania właściwości użytkowych wyrobów budowlanych oraz znakowania ich znakiem budowlanym, przeciwpożarowy wyłącznik prądu (PWP) składa się z następujących elementów:
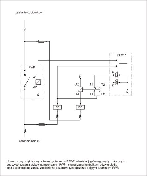
Elementy składowe przeciwpożarowego wyłącznika prądu
- Urządzenie wykonawcze: Jest to aparat wykonawczy PWP, zazwyczaj w formie rozłącznika lub wyłącznika. Stanowi on mechaniczny element odłączający dopływ energii elektrycznej do budynku. Instalowany jest w oddzielnej obudowie, zazwyczaj w pomieszczeniu technicznym, złączu kablowym lub przy wejściu do budynku.
- Urządzenie uruchamiające: Przycisk sterowania zdalnego PWP pozwala na podanie sygnału, za pomocą łącznika mono- lub bistabilnego, do automatyki PWP lub bezpośrednio na cewkę urządzenia wykonawczego.
- Urządzenie sygnalizujące: Sygnalizator optyczny, sterowany za pośrednictwem automatyki PWP lub bezpośrednio ze styków krańcowych urządzenia wykonawczego, wskazuje jednoznacznie o wyłączeniu zasilania na budynku poprzez ciągłe świecenie.

Zasady działania i rodzaje rozwiązań
Urządzenia uruchamiające są połączone równolegle, co oznacza, że naciśnięcie dowolnego z nich powoduje wyłączenie urządzenia wykonawczego i tym samym odcięcie napięcia zasilającego budynek. Urządzenie sygnalizacyjne, w postaci sygnalizatora LED, jest sterowane z wyjść modułu lub bezpośrednio ze styków krańcowych urządzenia wyłączającego, odzwierciedlając stan samego wyłącznika.
Proste rozwiązanie z wyzwalaczami
Jedno z prostszych rozwiązań nie posiada kontroli nad instalacją sterującą rozprowadzoną po budynku między urządzeniem uruchamiającym a wykonawczym. Wymaga to wzmożonych prac konserwacyjno-serwisowych. Jest to rozwiązanie zalecane dla obiektów ze stałą obsługą techniczną oraz możliwością czasowego wyłączenia zasilania budynku w celu testowania instalacji.
W tym rozwiązaniu stosuje się:
- Wyzwalacz wzrostowy: Powoduje otwarcie styków urządzenia wykonawczego PWP w przypadku podania napięcia zasilającego na cewkę wyzwalacza.
- Wyzwalacz zanikowy: Powoduje otwarcie styków urządzenia wykonawczego w przypadku zaniku lub obniżenia się napięcia poniżej wartości dopuszczalnej przez cewkę wyzwalacza.
Mamy tu nieco zwiększony poziom bezpieczeństwa, jednak możliwe jest wystąpienie problemu podczas uszkodzenia przewodu w postaci zwarcia między urządzeniem uruchamiającym a wykonawczym, co skutkować będzie brakiem wyłączenia urządzenia wykonawczego. Zasilanie niezbędne do zadziałania wyłącznika pobierane jest za pośrednictwem przerzutnika faz, zapewniającego energię do zadziałania wyzwalacza nawet po zaniku napięcia na jednej lub dwóch fazach.
Dopuszcza się wykorzystanie wyzwalaczy 230VAC lub 24V. Napięcie 24V stanowi zwiększony poziom bezpieczeństwa obsługi, będąc napięciem bezpiecznym. W przypadku wykorzystania wyzwalaczy 230V, do urządzenia uruchamiającego doprowadzone jest napięcie 230V, dlatego też styk urządzenia uruchamiającego musi być dostosowany do pracy z takim napięciem. Lampki sygnalizacyjne urządzenia uruchamiającego również muszą być dostosowane do napięcia 230VAC, gdyż w wersji z wyzwalaczem 230V napięcia fazowe 230V, poprzez styki pomocnicze wyłącznika, zapalą odpowiednie diody.
Rozwiązanie z modułem kontrolno-sterującym
Jest to rozwiązanie preferowane do rozległych i skomplikowanych obiektów przemysłowych oraz budynków biurowych i użyteczności publicznej, gdzie czasowe wyłączenie zasilania budynku do celów testowych jest niemożliwe lub bardzo utrudnione.
W tym przypadku stosuje się:
- Wyzwalacz wzrostowy
- Wyzwalacz zanikowy
Zwiększenie bezpieczeństwa w tym rozwiązaniu polega na zastosowaniu modułu kontrolno-sterującego MKIN-PWP. Moduł ten natychmiast po wykryciu uszkodzenia przewodu między urządzeniem uruchamiającym a wykonawczym, wysyła sygnał o uszkodzeniu do systemu nadrzędnego (np. SSP lub BMS). Element sygnalizująco-sterujący stanowi dedykowany moduł kontroli i nadzoru MKIN-PWP, którego zadaniem jest:
- Kontrola ciągłości przewodu do urządzenia uruchamiającego.
- Sterowanie wyzwalaczem zanikowym lub wzrostowym.
- Odliczanie czasu opóźnienia do wyłączenia w przypadku współpracy z systemami UPS.
- Posiadanie wejścia zezwalającego na wyłączenie.
- Współpraca z integratorem lub centralą sterującą, pozwalając na zdalne wyłączenie zasilania z poziomu integratora/centrali sterującej.
Moduł MKIN-PWP posiada dodatkowe wyjścia realizujące następujące funkcje: sygnał wyłączenia do następnej sekcji wyłącznika, zgłoszenie uszkodzenia modułu do systemów nadrzędnych, informacja o zadziałaniu urządzenia wykonawczo-sygnalizującego, sygnał wyłączenia do systemów UPS.
Cała automatyka sterująco-sygnalizująca zasilana jest z zasilacza buforowanego, co zapewnia ciągłość dostawy energii do części sygnalizacyjno-sterującej nawet w przypadku zaniku zasilania sieciowego. Akumulator współpracujący z zasilaczem buforowanym jest tak dobrany, aby zapewnić ciągłość dostawy energii przez minimum 30 minut w przypadku zaniku zasilania przed wyłącznikiem PWP.
Moduł MKIN-PWP pozwala na połączenie z systemami integracji poprzez interfejs RS485, wykorzystując protokół BacNET MS/TP, lub z użyciem innego protokołu, np. Modbus, przy wykorzystaniu opcjonalnego sterownika dokonującego konwersji protokołów. Ponadto, moduł urządzenia wykonawczo-sygnalizacyjny może być wyposażony w sterownik programowalny z dodatkowymi modułami wejść/wyjść oraz opcjonalny switch komunikacyjny. Może stanowić integralną część zasilacza, rozdzielnicy przeciwpożarowej lub być elementem autonomicznym.
Awesome Disconnector Switching with ❙ Electric Arc (ep-1)
Zastosowanie i obowiązek stosowania PWP
Przeciwpożarowy wyłącznik prądu (PWP) odcinający dopływ prądu do wszystkich obwodów, z wyjątkiem tych zasilających instalacje i urządzenia niezbędne podczas pożaru, należy stosować w strefach pożarowych o kubaturze przekraczającej 1000 m³ lub zawierających strefy zagrożone wybuchem. Wyłącznik powinien być umieszczony w pobliżu głównego wejścia do obiektu lub złącza i odpowiednio oznakowany.
Odcięcie dopływu prądu przez PWP nie może spowodować samoczynnego załączenia drugiego źródła energii elektrycznej, w tym zespołu prądotwórczego, z wyjątkiem źródeł zasilających urządzenia elektryczne, które muszą funkcjonować w czasie pożaru.
Wymogi prawne dotyczące stosowania PWP
Obowiązek stosowania przeciwpożarowych wyłączników prądu w instalacjach elektrycznych w budynkach wynika z zapisów rozporządzenia Ministra Infrastruktury w sprawie warunków technicznych, jakim powinny odpowiadać budynki i ich usytuowanie. Mówi o tym również rozporządzenie w sprawie ochrony przeciwpożarowej.
PWP jest wymagany w budynkach i obiektach, w których istnieje podwyższone ryzyko pożaru oraz tam, gdzie przepisy określają obowiązek stosowania takich zabezpieczeń. Zgodnie z przepisami i normami przeciwpożarowymi, PWP musi być stosowany w obiektach takich jak:
- Hale produkcyjne i magazyny z materiałami łatwopalnymi.
- Pomieszczenia techniczne i serwerownie.
- Parkingi podziemne lub garaże wielopoziomowe.
- Budynki użyteczności publicznej o dużym natężeniu ruchu osób.
- Obiekty o zwiększonym ryzyku pożaru (np. laboratoria, stacje paliw, kotłownie).
- Budynki mieszkalne wielorodzinne powyżej określonej wysokości (np. powyżej 12 m), gdzie konieczne jest szybkie odcięcie zasilania w razie pożaru.
- Szpitale i placówki ochrony zdrowia.
W tych miejscach PWP jest nie tylko zalecany, ale stanowi element wymogów ochrony przeciwpożarowej oraz warunków technicznych użytkowania budynków.
Dodatkowe wymogi obejmują pomieszczenia z instalacjami o podwyższonym ryzyku iskier, gdzie stosowanie PWP jest wręcz obowiązkowe. W niektórych branżach, np. przemyśle chemicznym czy petrochemicznym, wymogi mogą być jeszcze bardziej restrykcyjne.
Wybór i montaż PWP
Przy wyborze odpowiedniego PWP należy uwzględnić:
- Prąd znamionowy i wytrzymałość prądową urządzenia.
- Typ wyłącznika - ręczny, automatyczny lub hybrydowy.
- Stopień ochrony IP dopasowany do warunków środowiskowych.
- Możliwość integracji z systemami alarmowymi.
- Posiadanie wymaganych certyfikatów i norm.
Montaż wyłącznika powinien wykonać wykwalifikowany elektryk zgodnie z projektem i obowiązującymi przepisami. Regularne przeglądy i konserwacja są niezbędne, aby zapewnić niezawodne działanie urządzenia w sytuacji awaryjnej.
Zalety stosowania PWP
- Zwiększenie bezpieczeństwa osób i mienia: Szybkie odcięcie prądu eliminuje ryzyko iskier i zapłonu.
- Minimalizacja szkód pożarowych: Ogranicza rozprzestrzenianie ognia przez przewody elektryczne.
- Ochrona sprzętu i instalacji: Zapobiega uszkodzeniom urządzeń elektrycznych.
- Spełnienie wymogów prawnych i norm: Zapewnia zgodność z przepisami BHP i przeciwpożarowymi.
- Ułatwienie akcji ratowniczej: Pozwala na bezpieczniejsze działania straży pożarnej.
Ręczny przycisk uruchamiająco-sygnalizujący PWP1 może być stosowany jako "Przeciwpożarowy wyłącznik prądu" pod warunkiem umieszczenia nad nim tabliczki: "Przeciwpożarowy wyłącznik prądu". W komplecie jest tabliczka samoprzylepna o tej treści. Przycisk PWP1 z podwójną sygnalizacją LED umożliwia informację o stanie urządzenia: dioda zielona sygnalizuje stan uruchomienia, a dioda czerwona - stan dozoru. Ledy zakończone są kostką podłączeniową. Dioda czerwona powinna świecić, gdy wyłącznik jest załączony; w momencie zbicia szybki, czerwona dioda powinna zgasnąć, a zapalić się zielona, informująca o uruchomieniu wyłącznika. Zielony LED powinien być zasilany z osobnego źródła zasilania, najlepiej z przed wyłącznika.
Minimalna ilość przewodów potrzebnych do podłączenia wyłącznika z dwoma LEDami wynosi:
- 2 LED + 3 styki - minimum 7 przewodów.
- 2 LED + 2 styki - minimum 6 przewodów.
- 2 LED + 1 styk - minimum 5 przewodów.
Przy wyborze torów prądowych należy uwzględnić wybrany typ (A lub B):
- TYP A:
- Tory zwarne NO: po zbiciu szybki lub zdemontowaniu pokrywy tory się otwierają.
- Tory rozwarte NC: po zbiciu szybki lub zdemontowaniu pokrywy tory się zamykają.
- Tory mieszane NC/NO: po zbiciu szybki tory zwarne się otworzą, a tory rozwarte się zamkną.
- TYP B: Przycisk stały odblokowywany przez "RESET".
- Tory zwarne NO: po zbiciu szybki lub zdemontowaniu pokrywy przycisk należy wcisnąć ręcznie - tory się zamykają.
- Tory rozwarte NC: po zbiciu szybki lub zdemontowaniu pokrywy przycisk należy wcisnąć ręcznie - tory się otwierają.
Zakres temperatury pracy wynosi od -25°C do +70°C.
Zestaw przeciwpożarowego wyłącznika prądu typu DH-PWP-1 składa się z urządzenia wykonawczego (UW PWP) i urządzenia sygnalizującego (US PWP). Zestaw może współpracować z dostępnymi na rynku urządzeniami uruchamiającymi (UU PWP), wprowadzonymi do obrotu zgodnie z zapisami Rozporządzenia MIiB. Zapewnia przyjęcie sygnału sterującego z zewnętrznego urządzenia uruchamiającego (UU PWP).
Zestaw DH-PWP-1 powinien być używany w obiektach, wobec których istnieje wymóg stosowania przeciwpożarowego wyłącznika prądu. Uzupełniony o zewnętrzny ręczny przycisk uruchamiający, stanowi kompletne rozwiązanie pozwalające na wyposażenie budynku w certyfikowany PWP, dostosowany do wymagań i parametrów technicznych zawartych w projekcie urządzenia przeciwpożarowego.
Przeciwpożarowy wyłącznik prądu należy do urządzeń ochrony przeciwpożarowej. W razie pojawienia się ognia umożliwia odłączenie dopływu prądu i bezpieczne prowadzenie akcji gaśniczej. W myśl rozporządzenia Ministra Spraw Wewnętrznych i Administracji z dnia 7 czerwca 2010 r. w sprawie ochrony przeciwpożarowej budynków, innych obiektów budowlanych i terenów, urządzenia przeciwpożarowe to urządzenia służące do zapobiegania powstawaniu, wykrywania oraz zwalczania pożarów lub ograniczania ich skutków.
tags: #przeciwpozarowy #wylacznik #pradu #dtr