Przeciwpożarowy wyłącznik prądu (PWP) odgrywa kluczową rolę w systemach bezpieczeństwa budynków, służąc do odcinania dopływu energii elektrycznej w sytuacji zagrożenia pożarowego. Jego prawidłowe działanie jest regulowane przepisami prawa i ma na celu minimalizację ryzyka rozprzestrzeniania się ognia oraz zapewnienie bezpieczeństwa osobom ewakuującym się i służbom ratowniczym.
Podstawa prawna i lokalizacja
Funkcja przeciwpożarowego wyłącznika prądu w obiektach budowlanych została określona w Rozporządzeniu Ministra Infrastruktury z dnia 12 kwietnia 2002 roku w sprawie warunków technicznych, jakim powinny odpowiadać budynki i ich usytuowanie. Zgodnie z tymi przepisami, urządzenie to powinno odcinać dopływ energii elektrycznej do wszystkich odbiorników, z wyjątkiem obwodów zasilających instalacje i urządzenia, których funkcjonowanie jest niezbędne podczas pożaru, takie jak systemy oddymiania czy centrale sygnalizacji pożarowej.
§183 ust. 3 ww. rozporządzenia precyzuje miejsce instalowania PWP: „Przeciwpożarowy wyłącznik prądu powinien być umieszczony w pobliżu głównego wejścia do obiektu lub złącza i odpowiednio oznakowany”.
Dodatkowo, obowiązek stosowania PWP wynika z przepisów prawa budowlanego, szczególnie w przypadku budynków użyteczności publicznej (szkoły, przedszkola, biurowce) oraz obiektów o określonej wielkości. Zgodnie z Rozporządzeniem Ministra Spraw Wewnętrznych i Administracji z dnia 2 grudnia 2015 r. w sprawie uzgadniania projektu budowlanego pod względem ochrony przeciwpożarowej, każdy projekt obiektu budowlanego musi być sprawdzony pod kątem zgodności z wymaganiami ochrony przeciwpożarowej.
W przypadku budynków o powierzchni przekraczającej 1000 m³ lub w budynkach z strefami zagrożonymi wybuchem, instalacja PWP jest obligatoryjna. Umieszczenie przycisku sterującego powinno znajdować się w projekcie uzgodnionym z rzeczoznawcą ds. zabezpieczeń przeciwpożarowych, uwzględniając warunki lokalne i rozkład pomieszczeń.

Budowa i elementy przeciwpożarowego wyłącznika prądu
Zgodnie z Załącznikiem do Rozporządzenia Ministra Infrastruktury i budownictwa z dnia 17 listopada 2016 roku, przeciwpożarowy wyłącznik prądu (PWP) składa się z trzech kluczowych elementów:
Urządzenie wykonawcze
Jest to zasadniczy element mechanicznego odłączania dopływu energii elektrycznej do budynku. Najczęściej stanowi go rozłącznik lub wyłącznik izolacyjny. Aparat ten jest zazwyczaj umieszczony w oddzielnej obudowie, instalowany w pomieszczeniu technicznym, złączu kablowym lub przy wejściu do budynku. Urządzenie wykonawcze powinno posiadać możliwość zdalnego uruchomienia poprzez wyzwalacz wzrostowy lub zanikowy.
Urządzenie uruchamiające
Ten element umożliwia zdalne sterowanie wyłącznikiem. Przycisk sterowania zdalnego PWP pozwala na podanie sygnału do automatyki PWP lub bezpośrednio na cewkę urządzenia wykonawczego. Urządzenia uruchamiające są połączone równolegle, co oznacza, że naciśnięcie dowolnego z nich spowoduje wyłączenie urządzenia wykonawczego i tym samym odcięcie zasilania budynku. Urządzenie uruchamiające i sygnalizujące często stanowi przycisk pożarowy z sygnalizacją świetlną stanu pracy.
Urządzenie sygnalizujące
Służy do informowania o stanie wyłączenia zasilania. Sygnalizator optyczny, zazwyczaj w postaci diody LED, wskazuje jednoznacznie o wyłączeniu zasilania na budynku poprzez świecenie ciągłe. Jest on sterowany za pośrednictwem automatyki PWP lub bezpośrednio ze styków krańcowych urządzenia wykonawczego, odzwierciedlając stan samego wyłącznika.

Zasada działania i rodzaje wyzwalaczy
Podstawowa zasada działania PWP opiera się na możliwości zdalnego odcięcia zasilania elektrycznego. W zależności od zastosowanych rozwiązań, mogą występować różne typy wyzwalaczy:
- Wyzwalacz wzrostowy: Powoduje otwarcie styków urządzenia wykonawczego PWP w przypadku podania napięcia zasilającego na jego cewkę.
- Wyzwalacz zanikowy: Powoduje otwarcie styków urządzenia wykonawczego w przypadku zaniku lub obniżenia się napięcia poniżej wartości dopuszczalnej przez cewkę wyzwalacza.
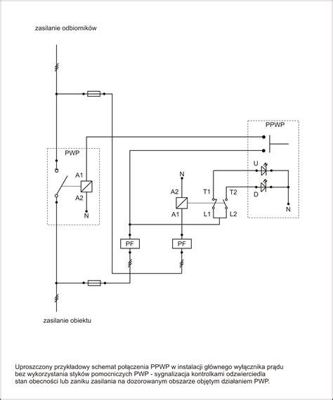
Zasilanie niezbędne do zadziałania wyłącznika jest często pobierane za pośrednictwem przerzutnika faz, co zapewnia energię do zadziałania wyzwalacza nawet po zaniku napięcia na jednej lub dwóch fazach. Dopuszcza się wykorzystanie wyzwalaczy 230VAC lub 24V, przy czym napięcie 24V stanowi bezpieczniejsze rozwiązanie dla obsługi.
W przypadku wyzwalaczy 230V, do urządzenia uruchamiającego doprowadzone jest napięcie 230V, co wymaga dostosowania styku urządzenia uruchamiającego oraz lampek sygnalizacyjnych do pracy z takim napięciem. Lampki te zapalają się poprzez styki pomocnicze wyłącznika, sygnalizując odpowiednie napięcia fazowe.
Zaawansowane rozwiązania i systemy nadzoru
Prostsze rozwiązania PWP, gdzie urządzenia uruchamiające są połączone równolegle, nie posiadają kontroli nad instalacją sterującą rozprowadzoną między urządzeniem uruchamiającym a wykonawczym. Wymaga to wzmożonych prac konserwacyjno-serwisowych i jest zalecane dla obiektów ze stałą obsługą techniczną i możliwością czasowego wyłączenia zasilania w celu testowania instalacji.
Dla rozległych i skomplikowanych obiektów przemysłowych, biurowych czy użyteczności publicznej, gdzie czasowe wyłączenie zasilania do celów testowych jest utrudnione, zalecane są bardziej zaawansowane rozwiązania. Jednym z nich jest zastosowanie modułu kontrolno-sterującego MKIN-PWP. Moduł ten natychmiast po wykryciu uszkodzenia przewodu między urządzeniem uruchamiającym a wykonawczym, wysyła sygnał o uszkodzeniu do systemu nadrzędnego (np. SSP, BMS).
Moduł MKIN-PWP pełni szereg funkcji:
- Kontrola ciągłości przewodu do urządzenia uruchamiającego.
- Sterowanie wyzwalaczem zanikowym lub wzrostowym.
- Odliczanie czasu opóźnienia do wyłączenia (współpraca z UPS).
- Wejście zezwalające na wyłączenie.
- Współpraca z integratorem lub centralą sterującą, umożliwiająca zdalne wyłączenie zasilania.
Moduł posiada również dodatkowe wyjścia realizujące funkcje takie jak: sygnał wyłącz do następnej sekcji, sygnał uszkodzenia modułu, sygnał zadziałania urządzenia wykonawczo-sygnalizującego, czy sygnał wyłącz do systemów UPS. Cała automatyka sterująco-sygnalizująca jest zasilana z zasilacza buforowanego, zapewniającego ciągłość dostawy energii nawet w przypadku zaniku zasilania sieciowego. Akumulator współpracujący z zasilaczem buforowanym zapewnia minimum 30 minut ciągłości dostawy energii w przypadku zaniku zasilania przed PWP.
Moduł MKIN-PWP umożliwia integrację z systemami wizualizacji za pośrednictwem interfejsu RS485 (protokół BacNET MS/TP) lub innych protokołów (np. Modbus) z wykorzystaniem opcjonalnego sterownika konwertującego protokoły. Moduł wykonawczo-sygnalizacyjny może stanowić integralną część zasilacza, rozdzielnicy przeciwpożarowej lub być elementem autonomicznym.
Certyfikowany Przeciwpożarowy Wyłącznik Prądu PWP
Konserwacja i przeglądy
Aby zapewnić niezawodność przeciwpożarowego wyłącznika prądu w krytycznych momentach, niezbędne jest przeprowadzanie regularnych przeglądów technicznych i czynności konserwacyjnych. PWP podlega obowiązkowi przeglądu technicznego nie rzadziej niż raz w roku, zgodnie z terminami ustalonymi przez producenta.
Zakres przeglądu powinien obejmować kluczowe czynniki pozwalające upewnić się, że urządzenie funkcjonuje prawidłowo. Pomimo zaawansowania technologicznego, PWP może ulec awarii. Do najczęstszych problemów należą:
- Śniedzenie styków: Spowodowane umieszczeniem urządzeń w miejscach o podwyższonej wilgotności, co może prowadzić do nieprawidłowego działania układów.
- Uszkodzenia mechaniczne: PWP często umieszczane są w miejscach narażonych na uszkodzenia (garaże, piwnice), co może skutkować nieprawidłowym działaniem.
- Niewłaściwe podłączenie: Może być przyczyną niefunkcjonowania urządzenia.
- Fałszywe alarmy: Mogą być spowodowane przez kurz, wilgoć lub małe zwierzęta.
Prawidłowo funkcjonujący wyłącznik przeciwpożarowy prądu zwiększa bezpieczeństwo osób przebywających w obiekcie, zapobiega rozprzestrzenianiu się ognia i ułatwia walkę z pożarem. Regularne przeglądy to inwestycja w bezpieczeństwo.
Wybór i instalacja
Wybierając pożarowy wyłącznik prądu, należy zwrócić uwagę na sprawdzonego producenta oferującego gwarancję na swoje produkty. Urządzenie można nabyć w sklepach specjalistycznych, marketach budowlanych oraz sklepach internetowych. Kluczowe aspekty przy wyborze to:
- Specyfikacja techniczna zgodna z normami bezpieczeństwa i posiadająca odpowiednie certyfikaty.
- Dostosowanie do mocy instalacji elektrycznej.
- Łatwość montażu i obsługi.
- Cena.
Prawidłowe zaprojektowanie i wykonanie instalacji PWP wymaga wiedzy technicznej oraz znajomości norm i przepisów. Instalacja urządzenia jest stosunkowo prosta i powinna być wykonana przez wykwalifikowanego elektryka, który upewni się, że wszystkie niezbędne narzędzia są dostępne, a zasady bezpieczeństwa są przestrzegane, w tym odłączenie zasilania przed rozpoczęciem prac.
Przycisk PWP powinien znajdować się w widocznym, dobrze oznakowanym miejscu - najczęściej przy wejściu głównym do obiektu lub w pobliżu głównej rozdzielnicy elektrycznej. Oznakowanie wyłącznika musi spełniać aktualne normy.
Przeciwpożarowy wyłącznik prądu jest urządzeniem, które działa automatycznie i zazwyczaj posiada funkcję samotestowania. Nie wymaga baterii do działania, ponieważ jest podłączony bezpośrednio do sieci elektrycznej.
Podsumowanie
Przeciwpożarowy wyłącznik prądu to niezwykle istotny element systemu bezpieczeństwa, zaprojektowany do ochrony życia, mienia oraz sprzętu elektronicznego. Jego prawidłowe działanie, wynikające z zastosowania odpowiednich wyzwalaczy i zaawansowanych modułów kontrolno-sterujących, w połączeniu z regularnymi przeglądami technicznymi, zapewnia wysoki poziom bezpieczeństwa w budynkach różnego typu.
tags: #wylacznik #pozarowy #z #sygnalizacja