Celem niniejszego szkolenia jest przekazanie informacji o wprowadzonych zmianach prawnych dotyczących krajowej certyfikacji wyrobów budowlanych oraz obowiązku wprowadzania do obrotu tzw. „przeciwpożarowego wyłącznika prądu”. Jest to urządzenie wymienione w załączniku nr 1 do rozporządzenia Ministra Infrastruktury i Budownictwa z dnia 17 listopada 2016 r. w sprawie sposobu deklarowania właściwości użytkowych wyrobów budowlanych oraz sposobu znakowania ich znakiem budowlanym (Dz. U. 2016 poz. 1966), zmienionego rozporządzeniem Ministra Inwestycji i Rozwoju z dnia 13.06.2018 r (Dz. U 2018. poz. 1208).

Obowiązki pracodawcy w zakresie ochrony przeciwpożarowej
Według przepisów prawa, zadaniem pracodawcy jest zapewnienie ochrony przeciwpożarowej w miejscu pracy. Obejmuje to szereg działań, mających na celu minimalizację ryzyka wystąpienia pożaru oraz zapewnienie bezpieczeństwa pracownikom i mieniu.
Kluczowe obowiązki posiadacza, zarządcy lub użytkownika budynku:
- Wskazanie i wysłanie na kurs przeciwpożarowy pracownika, który będzie odpowiedzialny za procedury ewakuacyjne w sytuacji wystąpienia pożaru.
- Określenie procedur na wypadek pożarów, klęsk żywiołowych i innych zagrożeń.
- Przedstawienie pracownikom przepisów przeciwpożarowych.
- Zapewnienie każdej osobie znajdującej się w budynku lub na jego terenie bezpiecznej ewakuacji.
- Wyposażenie budynku lub terenu w odpowiednie urządzenia przeciwpożarowe, w tym w gaśnice.
- Prowadzenie regularnych konserwacji urządzeń przeciwpożarowych, w tym gaśnic, aby stale działały one prawidłowo.
Bezpieczeństwo przeciwpożarowe w obiekcie - wymogi szczegółowe
Każdy posiadacz, zarządca czy też użytkownik budynku, z wyjątkiem budynków jednorodzinnych, jest zobowiązany do spełnienia dodatkowych wymogów w zakresie bezpieczeństwa przeciwpożarowego:
- Wyposażenie budynku w urządzenia przeciwpożarowe oraz gaśnice, a także utrzymanie ich stale w stanie sprawności funkcjonalnej i technicznej.
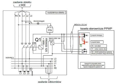
- Wyposażenie budynku, zgodnie z przepisami techniczno-budowlanymi, w odpowiednie przeciwpożarowe wyłączniki prądu.
- Zamontowanie w widocznych miejscach instrukcji postępowania w wypadku wystąpienia pożaru oraz wykazu aktualnych telefonów alarmowych.
- Przygotowanie oznaczeń dróg ewakuacyjnych, miejsc, w których znajdują się gaśnice, wyłączniki prądu, kurki gazowe - należy wykorzystać znaki zgodne z Polskimi Normami.

Oferta szkoleń PPOŻ Ośrodka Doskonalenia Kadr ERGON
Aby pomóc Państwu w spełnieniu przedstawionych wymogów prawnych, Ośrodek Doskonalenia Kadr ERGON zaprasza na profesjonalne szkolenia PPOŻ. Posiadamy wieloletnie doświadczenie w branży i dysponujemy kadrą kompetentnych instruktorów oraz własnymi salami wykładowymi. Jesteśmy w stanie zrealizować szkolenie przeciwpożarowe pracowników w dowolnie wskazanym przez Państwa miejscu, głównie w województwie mazowieckim, ale także na terenie całej Polski.
Dlaczego warto wybrać nasze kursy PPOŻ?
- Wieloletnie doświadczenie: Nasza specjalność to szkolenia BHP i PPOŻ od ponad 15 lat.
- Kompleksowe podejście: Zajmujemy się prowadzeniem szkoleń kompleksowo i kompetentnie.
- Indywidualne dopasowanie: Każde szkolenie BHP i PPOŻ jesteśmy w stanie dostosować indywidualnie do Państwa potrzeb, uwzględniając specyfikę zakładu pracy i stanowiska pracy.
- Nowoczesne metody: Każdy kurs PPOŻ bazuje nie tylko na przepisach prawa, ale dodatkowo na naszym wieloletnim doświadczeniu branżowym. Posługujemy się autorskimi programami oraz nowoczesnymi pomocami.
- Atrakcyjna cena: Nasz Ośrodek wyróżnia się konkurencyjnymi cenami prowadzonych zajęć.

Program Szkolenia Przeciwpożarowego
Szkolenie przeciwpożarowe prowadzone przez Ośrodek ERGON obejmuje między innymi:
- Zasady bezpiecznego postępowania podczas gaszenia pożarów.
- Teorię użycia podręcznego sprzętu gaśniczego wraz z jego budową.
- Pokaz wzorcowego gaszenia ognia przez instruktora.
- Ćwiczenia praktyczne.
Szkolenie PPOŻ dla pracowników przeznaczone jest dla grup składających się maksymalnie z 15 osób, co zapewnia wysoką jakość przekazywanej wiedzy i możliwość indywidualnego podejścia do każdego uczestnika.
Organizacja szkoleń - elastyczność i dostępność
Szkolenia przeciwpożarowe prowadzimy w naszej siedzibie w Warszawie, gdzie do dyspozycji jest nowoczesna sala wykładowa. Istnieje również możliwość przeprowadzenia szkoleń u klienta w wyznaczonych miejscach, głównie w siedzibach firm. Jesteśmy w stanie dojechać praktycznie wszędzie na terenie całego kraju - prosimy o kontakt w celu uzgodnienia szczegółów realizacji usługi.
Jak przetrwać pożar domu? | Edukacja o bezpieczeństwie pożarowym dla dzieci | Program Dr Binocs | Peekaboo Kidz
tags: #przeciwpozarowy #wylacznik #pradu #szkolenie