Zapewnienie bezpieczeństwa pożarowego obiektu budowlanego jest kluczowym priorytetem dla każdego zarządcy, właściciela firmy czy osoby odpowiedzialnej za infrastrukturę. Jednym z istotnych elementów systemów ochrony przeciwpożarowej jest Przeciwpożarowy Wyłącznik Prądu (PWP). Jego stosowanie wynika z przepisów budowlanych, określonych m.in. w Rozporządzeniu Ministra Infrastruktury z dnia 12 kwietnia 2002 r. w sprawie warunków technicznych, jakim powinny odpowiadać budynki i ich usytuowanie.
PWP to urządzenie służące do odcięcia dopływu prądu elektrycznego do wszystkich obwodów budynku, z wyjątkiem tych, których funkcjonowanie jest kluczowe podczas pożaru. Działanie PWP polega na natychmiastowym odcięciu dopływu prądu do budynku w sytuacji zagrożenia pożarem. Podczas akcji gaśniczej strażacy często korzystają z wody, która jest przewodnikiem prądu, co może stanowić zagrożenie porażenia. PWP eliminuje to ryzyko, chroniąc zarówno służby ratownicze, jak i osoby przebywające w budynku.

Podstawy prawne stosowania PWP
Obowiązek stosowania przeciwpożarowego wyłącznika prądu wynika bezpośrednio z przepisów prawa. Zgodnie z § 183 ust. 2 Rozporządzenia Ministra Infrastruktury z dnia 12 kwietnia 2002 r. w sprawie warunków technicznych, jakim powinny odpowiadać budynki i ich usytuowanie (Dz.U. z 2019 r., poz. 1065 z późn. zm.), przeciwpożarowy wyłącznik prądu stosuje się w strefach pożarowych o kubaturze przekraczającej 1000 m³ lub zawierających strefy zagrożone wybuchem.
Wyłącznik ten powinien "odciąć dopływ energii elektrycznej do wszystkich odbiorników, z wyjątkiem obwodów zasilających instalacje i urządzenia, których funkcjonowanie jest niezbędne w czasie pożaru", takie jak Dźwiękowy System Ostrzegania, Centrala Systemu Sygnalizacji Pożarowej czy Systemy Oddymiania.
Wyłączenia od obowiązku stosowania PWP
Przepisy przewidują pewne wyjątki od obowiązku stosowania PWP. Jak wskazuje sama treść rozporządzenia, obowiązek ten nie dotyczy na przykład budynków mieszkalnych jednorodzinnych.
Certyfikacja i oznakowanie PWP
Przeciwpożarowy wyłącznik prądu, jako wyrób budowlany, powinien spełniać określone wymagania. Zgodnie z Rozporządzeniem Ministra Infrastruktury i Budownictwa z dnia 17 listopada 2016 r. w sprawie sposobu deklarowania właściwości użytkowych wyrobów budowlanych oraz sposobu znakowania ich znakiem budowlanym:
- Musi posiadać Krajową Ocenę Techniczną (KOT) - dokument potwierdzający spełnienie wymagań użytkowych.
- Powinien uzyskać Krajowy Certyfikat Stałości Właściwości Użytkowych - dokument potwierdzający zachowanie deklarowanych właściwości w czasie.
- Musi być oznakowany znakiem budowlanym „B” - informującym o zgodności z polskimi przepisami technicznymi.
Dodatkowo, zgodnie z przepisami [2], PWP powinien być umieszczony w pobliżu głównego wejścia do obiektu lub złącza i odpowiednio oznakowany. Sposób oznakowania jest ściśle określony przez normę PN-N-01256-4:1997 Znaki bezpieczeństwa. Techniczne środki przeciwpożarowe, gdzie znajduje się znak przeciwpożarowego wyłącznika prądu.

Praktyczna instalacja i lokalizacja PWP
Kwestia praktycznej instalacji PWP, w tym jego wysokości montażu, bywa przedmiotem dyskusji i nie zawsze jest jednoznacznie uregulowana w przepisach. W dyskusjach na forach branżowych często poruszana jest kwestia wysokości montażu przeciwpożarowego wyłącznika prądu przy wejściu głównym. Uczestnicy wskazują, że choć nie ma ścisłych przepisów, w praktyce często spotyka się wartości od 120 do 140 cm od gotowej posadzki.
Podkreślono, że lokalizację instalacji przeciwpożarowego wyłącznika prądu należy uzgodnić na etapie opracowywania projektu z rzeczoznawcą ds. zabezpieczeń przeciwpożarowych. Efekt końcowy powinien być dostosowany do warunków lokalnych, układu zasilania budynku oraz zapewniać właściwe wykorzystanie PWP na potrzeby prowadzenia działań ratowniczo-gaśniczych.
Kluczowe aspekty lokalizacji i montażu
- Dostępność dla ekip ratowniczych: PWP powinien być zainstalowany w miejscu łatwo dostępnym dla strażaków, zazwyczaj w pobliżu głównego wejścia do budynku lub złącza elektrycznego.
- Oznakowanie: Miejsce usytuowania PWP musi być odpowiednio oznakowane, zgodnie z obowiązującymi normami.
- Ochrona przed przypadkowym uruchomieniem: Należy uwzględnić ryzyko przypadkowego lub złośliwego uruchomienia PWP przez osoby postronne, co może być szczególnie problematyczne w obiektach użyteczności publicznej.
- Oświetlenie: Miejsce zainstalowania PWP powinno być odpowiednio oświetlone, zgodnie z normą PN-EN 1838:2005 dotyczącą oświetlenia awaryjnego. Oprawy oświetlenia awaryjnego powinny znajdować się w pobliżu (w promieniu dwóch metrów) urządzenia przeciwpożarowego, o ile takie oświetlenie jest wymagane przepisami.
Często popełniane błędy obejmują nadgorliwe stosowanie przycisków w czerwonych obudowach z szybką, łudząco podobnych do ręcznych ostrzegaczy pożarowych, co może prowadzić do przedwczesnego wyłączenia zasilania przez osoby nieuprawnione. Takie działania mogą przynieść więcej szkody niż pożytku, utrudniając ewakuację i akcję gaśniczą.
POSZUKIWANIA PRZYCZYNY ZADZIAŁANIA WYŁĄCZNIKA ROŻNICOWOPRĄDOWEGO
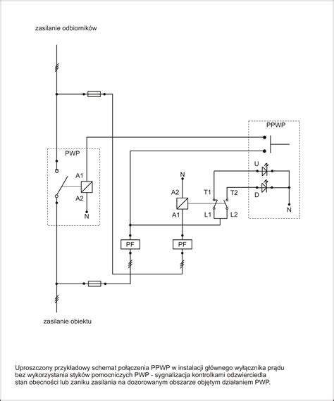
Budowa i działanie PWP
Choć nie istnieje jeden dokument prawny szczegółowo opisujący techniczne wykonanie PWP, w rozporządzeniu [3] znajduje się zapis mówiący, że PWP "powinien składać się z: urządzenia uruchamiającego, urządzenia sygnalizującego i urządzenia wykonawczego". Odpowiedzialność za zastosowane rozwiązanie spoczywa na projektancie instalacji elektrycznych.
Urządzenie wykonawcze
Rolę urządzenia wykonawczego najczęściej pełni wyłącznik lub rozłącznik izolacyjny. Aparat taki powinien posiadać możliwość zdalnego uruchomienia poprzez wyzwalacz wzrostowy lub zanikowy.
Urządzenie uruchamiające i sygnalizujące
Urządzenie uruchamiające i sygnalizujące często stanowi przycisk pożarowy z sygnalizacją świetlną stanu pracy. Zgodnie z przepisami [2], "PWP powinien być umieszczony w pobliżu głównego wejścia do obiektu lub złącza i odpowiednio oznakowany". Zasadne jest umieszczenie w pobliżu głównego wejścia przycisku sterującego, który jest prosty w użyciu i łatwy do rozpoznania.
Rozmieszczenie przycisków sterujących powinno znajdować się w projekcie uzgodnionym z rzeczoznawcą ds. zabezpieczeń przeciwpożarowych, uwzględniając warunki lokalne i rozkład pomieszczeń.
Konserwacja i odpowiedzialność
Zgodnie z § 3 Rozporządzenia Ministra Spraw Wewnętrznych i Administracji z dnia 7 czerwca 2010 r. w sprawie ochrony przeciwpożarowej budynków, innych obiektów budowlanych i terenów, przeciwpożarowy wyłącznik prądu podlega okresowej konserwacji i przeglądom technicznym.
Odpowiedzialność za zapewnienie, że obiekt jest wyposażony w sprawny Przeciwpożarowy Wyłącznik Prądu, spoczywa na właścicielu, zarządcy lub użytkowniku obiektu, w zależności od zapisów umowy lub przepisów szczególnych.
Przeciwpożarowy wyłącznik prądu jest ważnym elementem systemów bezpieczeństwa pożarowego. Jego prawidłowe zaprojektowanie, instalacja, certyfikacja oraz regularna konserwacja są kluczowe dla zapewnienia bezpieczeństwa użytkowników budynku oraz skutecznego prowadzenia akcji ratowniczo-gaśniczych.
tags: #przeciwpozarowy #wylacznik #pradu #innstaluje #sie #na